Разьем 5,5x2,1мм мама. Datasheet и 3D модель

Разьем представляет собой пластиковую хрень под штекер с внешним диаметром 5,5мм и внутренним отверстием 2,1мм, общие размеры см. datasheet внизу. Расчитан на ток 0,5А при 30В в DC режиме и 500В в AC режиме. Данный разьем часто применяется совместно с платами разработки arduino.
Таблица 1 - Характеристики разьема 5,5x2,1мм (Datasheet)
Разьем 5,5x2,1 реальный вид
| Название | Значение |
| Максимальный ток в режиме DC(постоянный ток) | 0,5 A |
| Максимальное напряжение в режиме DC(постоянный ток) | 30 В |
| Максимальный ток в режиме AC(переменный ток) | 500 В |
| Максимальное напряжение в режиме AC(переменный ток) | 0,05A |
| Сопротивление в точке контакта штекера и разьема | 0,03 Ом |
| Время жизни (количество использований) | 5000 |
| Пробой изоляции | 100 МОм |
| Сила с которой необходимо вставить разьем | 3-20 H |
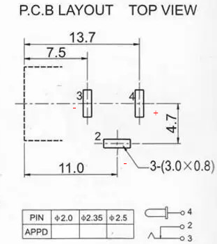
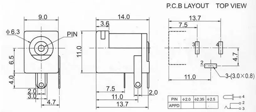
Где у разьема 5,5x2,1 минус и плюс?
Размеры разьема 5,5x2,1mm
У разьема 5,5x2,1 минус это 3 и 2 нога, а плюс 4

Скачать модель разьема в формате SCDOC
Скачать модель разьема в формате STL
Скачать модель разьема в формате STEP
Для того чтобы задать вопрос автору, заходи и напиши комментарий в нашу группу Телеграмм https://t.me/esp32stm32attiny13